Support

Lorem ipsum dolor sit amet:

24h / 365days

We offer support for our customers

Mon - Fri 8:00am - 5:00pm (GMT +1)

Get in touch

Cybersteel Inc.
376-293 City Road, Suite 600
San Francisco, CA 94102

Have any questions?
+44 1234 567 890

Drop us a line
info@yourdomain.com

About us

Lorem ipsum dolor sit amet, consectetuer adipiscing elit.

Aenean commodo ligula eget dolor. Aenean massa. Cum sociis natoque penatibus et magnis dis parturient montes, nascetur ridiculus mus. Donec quam felis, ultricies nec.

+49 (0)7144 / 887753-0

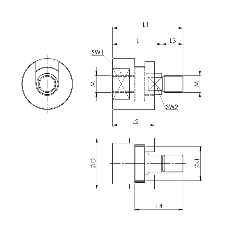
Ausgleichs-Kupplungssatz S-_-KS-1000

Bezeichnung Größe D d L L1 L2 L3 L4 SW1 SW2 M Ident-Nr.
JAK-S-05-KS-1000 05 15 10 16 22 13,5 6 15,5 13 5 M5 1000-0005
JAK-S-06-KS-1000 06 20 12,5 18 26 16 8 18 15 7 M6 1000-0006
JAK-S-08-KS-1000 08 24 16 22 32 20 10 22 19 9 M8 1000-0008
JAK-S-10-KS-1000 10 30 20 29 41,5 25 12,5 28,5 24 10 M10x1,25 1000-0010
JAK-S-12-KS-1000 12 38 25 36 52 32 16 36 30 14 M12x1,25 1000-0012
JAK-S-16-KS-1000 16 48 32 45 65 40 20 45 36 17 M16x1,5 1000-0016
JAK-S-20-KS-1000 20 60 40 57 82 50 25 57 50 22 M20x1,5 1000-0020

CAD-Daten anfordern:


Copyright © Jakoma GmbH
Customize this text in the file mod_cookiebar.html5. More info
Got it!